Combining knowledge with practical experience

At Arclid Power, we specialise in providing quality design and survey services tailored to the Electric and Telecoms utility sectors. Our team brings extensive knowledge as well as practical experience to ensure services are delivered to the highest standards and with all stakeholder requirements satisfied.

NERS Design accredited to provide design services up to 33kV, we have the capability to deliver quality designs in line with DNO/IDNO and Client requirements.
Operational delivery experience enables practical and compliant solutions to be designed reducing the need for redesigns
Providing post installation support by producing as-laid records

We deliver end- to end fibre design and survey solutions tailored to your specific needs. Our experienced team carries out detailed utility surveys and produces high quality FTTx designs that are fully compliant with UK standards.
Whether you are planning a new installation or expanding an existing network, we use advanced tools and industry best practice to ensure accuracy, efficiency and seamless integration with build teams.

IDNO/DNO/ENA specifications and guidance used to create compliant designs
LV Design using Visnet Software
Design Risk Assessments provided
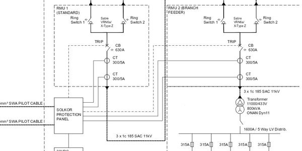
Earthing Layouts, Legal plans and Single Line Diagrams included
Construction Material Specifications
Experienced CAD support to create clear construction drawings
NERS Accredited for LV, HV and 33kV cable Networks, 11kV and 20kV Wood Pole lines and up to 33kV Substations

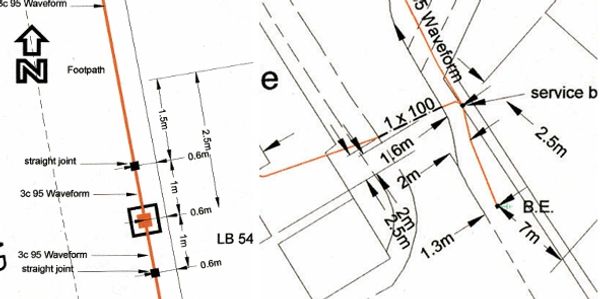
CAD As-Laids can be provided using either client provided site information overlaid onto the site CAD files or using viDoc technology for accurate recording of assets.

Our specialist telecoms FTTx desktop design service provides a highly accurate and efficient foundation for your full fibre network rollout. Utilising advanced GIS mapping and modelling tools, we meticulously plan every aspect of your FTTx infrastructure from the initial high-level design to detailed low-level schematics. This includes identifying optimal fibre routes, predicting coverage, pinpointing ideal locations for passive optical network splitters, and assessing material requirements to all SDU's and MDU's. By undertaking this comprehensive virtual planning, minimise design errors, and accelerate your path to delivering high-speed, future-proof broadband directly to homes and businesses.

Our telecoms FTTx on-site survey service provides the crucial real-world data needed to complement and validate network designs. Our experienced field engineers meticulously assess geographical features, existing infrastructure (ducts, poles, cabinets), potential obstacles, SED's, and access points. This vital on-the-ground reconnaissance using accredited resources or drones, identifies practical challenges and opportunities that may not be apparent in desktop planning, ensuring that your fibre network design is not only technically sound but also practically deployable and cost-effective. By bridging the gap between virtual design and physical reality, our on-site surveys mitigate risks, optimise resource allocation, and accelerate the successful rollout of your FTTx broadband infrastructure.
